您的当前位置:首页 / 产品展示
产品中心
 YBM-24/0.4(YBM-12/...
 KYN28-24/2500户内交流金...
 KYN28-12/1250户内交流金...
 HXGN15-12/630-20(H...
 GCK(GCL)系列低压抽出式开关柜...
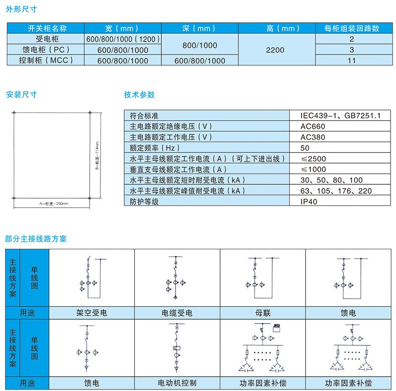
 GCS系列低压抽出式开关柜
 MNS系列低压抽出式开关柜
 GBD系列低压固定分隔式开关柜
 GGD系列低压固定配电柜
 CRDB低压成套无功功率补偿装置
 XJM电表箱
 光伏计量箱
 DFW 电缆分接箱(公用电网动力配电...
 密集绝缘母线CMC
 XL系列动力配电箱
 PZ30系列多功能模数化

 
产品展示
GCK(GCL)系列低压抽出式开关柜





首页  |  公司简介  |  荣誉资质  |  产品展示  |  新闻动态  |  服务承诺  |  联系我们
江苏晟润电气有限公司版权所有    技术支持:迅捷网络    苏ICP备17019327号-1